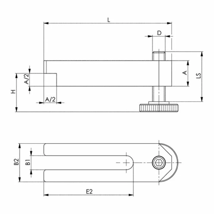
Spanneisen abgesetzt.
- Mit verstellbarer Stützschraube
- Ähnlich DIN 6315 B B1 x L: 18 x 160 mm
- Spannschraube: M16 x 18 x 125
- A = 30 mm
- B1 = 18 mm
- B2 = 50 mm
- D = M16
- E2 = 110 mm
- H = 13 – 56 mm
- L = 160 mm
- LS = 55 mm
Maß H: Abhängig von Nutentiefe nach DIN 650 sowie Einschraublänge der Mutter. Die niedrigste Spannhöhe wird durch Umdrehen des Spanneisens erreicht.









Rezensionen
Es gibt noch keine Rezensionen.